Ray trượt
Hafele
60,000 lần đóng mở, theo tiêu chuẩn DIN EN 15338 Grade 3
Chức năng đóng mở đồng bộ và tích hợp giảm chấn
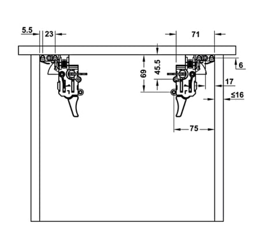
Điều chỉnh 3 chiều (lên/xuống 1.5mm, trái/phải 0.5mm, trước/sau ±1.5mm)
Chất liệu: Thép
Hoàn thiện: mạ kẽm
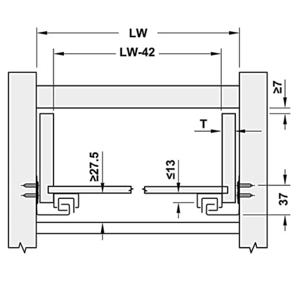
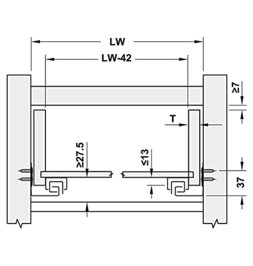
Dễ dàng tháo lắp thông qua bas ray trượt
Trọn bộ gồm: 1 cặp ray trượt và 1 cặp bas
Đóng gói: 1 bộ